产品概述FG100B-ETO-2 环氧乙烷报警器/环氧乙烷浓度报警器主要用于实时在线监测工业环境中的环氧乙烷气体浓度,可检测环境中的任何环氧乙烷泄漏或环氧乙烷积聚,并将实时浓度直观显示在仪器的液晶屏幕上。环氧乙烷报警器/环氧乙烷浓度报警器可通过设置环氧乙烷浓度低报警阈值和高报警阈值,可以触发声光报警提示,或者也可以触发打开或者关闭电气设备,如风扇或者通风控制、或者阀门等,保证人体生命或者设施的安全。
产品概述
FG100B-ETO-2 环氧乙烷报警器/环氧乙烷浓度报警器主要用于实时在线监测工业环境中的环氧乙烷气体浓度,可检测环境中的任何环氧乙烷泄漏或环氧乙烷积聚,并将实时浓度直观显示在仪器的液晶屏幕上。环氧乙烷报警器/环氧乙烷浓度报警器可通过设置环氧乙烷浓度低报警阈值和高报警阈值,可以触发声光报警提示,或者也可以触发打开或者关闭电气设备,如风扇或者通风控制、或者阀门等,保证人体生命或者设施的安全。
FG100B-ETO-2 环氧乙烷报警器/环氧乙烷浓度报警器还可以把当前实时浓度值转换为模拟量信号(4-20mA)、数字信号(RS485 MODBUS RTU)、继电器开关信号传输到报警控制器主机、PLC、DCS和上位机监控系统软件等设备系统进行统一显示、控制管理。
产品特点
1、传感器(需依据不同气体类型、量程而定,具体可咨询)
(电化学法)全进口智能电化学传感器具有高可靠性及稳定性、更强的抗干扰能力
(红外法)基于NDIR原理设计的智能微型气体传感器,它利用气体对特定红外光谱的吸收特性进行浓度测量,内部按照双波长光路设计,无氧气依赖性和催化传感器的中毒现象,寿命长,准确度高,性能稳定
(PID)全进口抗高湿系列光离子化(PID)传感器,灵敏度极高,能够对上千种挥发性有机物(VOC)做出迅速的响应,同时也不会破坏目标气体,保证目标气体的完整性。
(催化燃烧)全进口智能传感器具有高可靠性及稳定性、更强的抗干扰能力,抗中毒能力
2、采用先进的微处理器技术,响应速度快,测量精度高,稳定性和重复性好
3、全量程范围温度数字自动跟踪补偿,保证测量准确性
4、具有开机自检功能,实时掌握仪器健康状态
5、通过红外遥控器操作,实现免开盖对仪器校准与配置
6、防高浓度过载导致损坏检测仪器,具有自我保护功能
7、4-20mA、RS485、开关量、4G、WIFI等信号接口可满足大部分的应用要求
8、本地告警、故障指示、一体化声光报警器
9、防爆等级ExdIICT6 Gb,防护等级可达IP65
性能参数
量程及分辨率 量程范围需要根据现场需求、客户要求而定
具体可咨询
检测原理 电化学;非分散红外(NDIR);光离子化(PID);催化燃烧;
采样方式 自由扩散式,连续采集扩散在空气中的环氧乙烷气体
泵吸式,气体一进一出,通过外置气泵,实现泵吸式的检测(气泵选配)
重复性/准确度 +/- 2% FSD典型值 ;具体需依据情况而定
零点漂移 +/- 2% FSD典型值;具体需依据情况而定
响应时间 T90 < 10S典型值;具体需依据情况而定
危险区域范围 Zone 1 or 2
执行标准
GB3836.1-2010《爆炸性气体环境用电气设备 第一部分:通用要求》
GB3836.2-2010《爆炸性气体环境用电气设备 第二部分:隔爆型》
GB50493-2009《石油化工企业可燃气体和有毒气体检测报警设计规范》
GB12358-2006《作业场所环境气体检测报警仪通用技术要求》
工作环境
工作温度 -20°C ~ +60°C
存放温度 -20°C ~ +70°C
环境湿度 0 to 99% 相对湿度,无凝结
环境压力 正常压力
输入输出
电源 15-30VDC,120mA@24VDC(带继电器,带声光报警器)
显示 标配大液晶屏,带LED背光实时显示气体浓度
三个指示灯指示低报警器,高报警,故障报警
电缆接口 标配:M20X1.5
可选:转接内螺纹3/4” NTP, 1/4” NTP, 1/2” NTP等
信号输出 RS485 MODBUS RTU数字信号输出
三线制4--20mA模拟信号输出,可接入各种控制系统
开关量输出。 三组常开型继电器 220VAC 6A或 30VDC 6A大容量继电器
声光报警。24V电压驱动声光报警器。
4G/WIFI无线信号(选配),接入物联网平台,可在手机小程序或者APP查看
机械规格
外壳材质 主壳体:ADC12压铸铝合金,氧化喷漆处理,耐腐蚀及恶劣环境
传感器外壳:采用不锈钢,坚固耐用
防护等级 IP66
防爆等级 ExdIICT6 GB
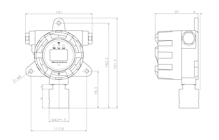
尺寸 191x141x97mm
重量 2.2kg
安装方式 壁挂式安装,壳体上有三个孔可方便固定在墙上;
可定制各种规格安装尺寸。
安装尺寸及外型示意图
